limedownload.com
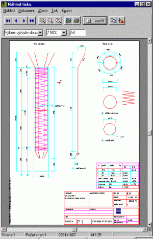
Drawing reinforcement drawings of drilled reinforced concrete piles. The program allows fast generation of detailed documentation for piles of any diameter and length.
The piles are reinforced with uniformly distributed reinforcement around the perimeter, and adjustments to the reinforcement at the head (bending to cup the head) and at the foot (bending to the tip for handling, shortening the reinforcement) are possible. By alternating two different profiles, the reinforcement of the cross-section can be optimised.
The program generates a complete drawing of the rebar, including any spacers and reinforcement statements. Direct printing of drawings significantly increases productivity and eliminates routine errors.
In this version, the program does not address head reinforcement, which will be added in future versions.
If required, the program allows export to other CAD programs.
Product details of Pilota | |
License | free to try |
Version | 1.00 |
Limitations | demo, you can't enter the length of the pile |
Producer (software list) | Ing. Radek Janka |
Product page | http://www.probeton.cz |
Date of publication | |
Downloads a week | 0 |
All downloads | 4 |
Rating of LimeDownload.com | ![]() |
Operating system | Windows 95/98/NT |
File size | 332,96 KB |
Installation | yes |
Uninstallation | yes |
download Pilota | |
advertisement
300x300
1. | UEStudio | 9 |
2. | CRANEWAY | 5 |
3. | Satellite Finder | 3 |
4. | Therm | 2 |
5. | 3v1 ABC Encyklopedie - Cizí slova | 2 |
6. | Pražské kostely a kaple | 1 |
7. | MyFoil | 1 |
8. | Alkitab Bible Study | 1 |
9. | Výpočty rozměru výkresu | 1 |
10. | Zesesitu | 1 |
11. | EarthquakeView | 1 |
12. | RSTAB | 1 |
13. | ECTmorse | 1 |
14. | DelProTab | 1 |
15. | Cute Translator | 1 |
16. | Click Translator | 1 |
17. | Cutting Planner | 1 |
18. | Studijní příručka - ELEKTRO | 0 |
19. | LearnIt! | 0 |
20. | Morseovka | 0 |
advertisement
300x600
advertisement
1290x250