limedownload.com
TIP FREE
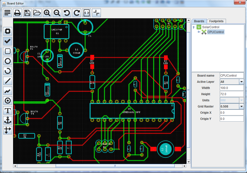
myNetPCB is an application that creates electronic circuit and printed circuit board (PCB = Printed Circuit Board) schematic designs. You can work with the design in the form of a schematic with electronic components, with symbols, printed circuit boards and integrated circuits themselves. After extracting the contents of the archive to a new location, simply run the .bat (Windows) or .sh (Linux) file.
| Product details of myNetPCB | |
| License | free |
| Version | 7.4 |
| Producer (software list) | Sergey Rachev Iliev |
| Product page | http://sourceforge.net/ |
| Supported language | English |
| Date of publication | |
| Downloads a week | 1 |
| All downloads | 112 |
| Rating of LimeDownload.com | 0 |
| VirusTotal check | Check of the day 06.04.2026, the file is 100% virus free |
| Operating system | Windows XP/Vista/7/8/10 |
| File size | 1 012,77 KB |
| Installation | no |
| Uninstallation | no |
| download myNetPCB | |
advertisement
300x300
| 1. | VariCAD | 57 |
| 2. | FreeCAD | 46 |
| 3. | BricsCad | 30 |
| 4. | OPTIMIK | 30 |
| 5. | VariCAD Viewer | 26 |
| 6. | Ashampoo 3D CAD Architecture | 16 |
| 7. | CorelCAD | 16 |
| 8. | 4M CAD Viewer CZ | 15 |
| 9. | T-Flex CAD | 13 |
| 10. | progeCAD professional 2009 CSY | 13 |
| 11. | Mission Planner | 12 |
| 12. | ProfiCAD | 11 |
| 13. | Ashampoo 3D CAD Professional | 11 |
| 14. | ZWCAD | 10 |
| 15. | Digimizer | 10 |
| 16. | 4M CAD Standard CZ | 9 |
| 17. | GstarCAD | 8 |
| 18. | EXCELLINK | 7 |
| 19. | DataCAD | 7 |
| 20. | progeCAD 2019 Professional | 7 |
advertisement
300x600
advertisement
1290x250